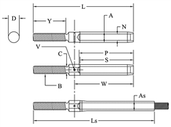
MS Part No. | Cable | A | As | C | D | J | L | Ls. | N | P | U | Y | Z | Lbs. per |
|---|---|---|---|---|---|---|---|---|---|---|---|---|---|---|
| MS20668-2* | 1/16 | 0.16 | .138 +.000 -.005 | 0.523 | 0.19 | 0.088 | 1.631 | 1.809 | 0.078 | 1.042 | 0.359 | 0.072 | 0.662 | 0.009 |
| MS20668-3* | 3/32 | 0.218 | .190 +.000 -.005 | 0.707 | 0.19 | 0.103 | 2.043 | 2.16 | 0.109 | 1.261 | 0.438 | 0.092 | 0.856 | 0.018 |
| MS20668-4* | 1/8 | 0.25 | .219 +.000 -.005 | 0.738 | 0.19 | 0.19 | 2.337 | 2.593 | 0.141 | 1.511 | 0.5 | 0.103 | 0.9 | 0.035 |
| MS20668-5* | 5/32 | 0.297 | .250 +.000 -.005 | 0.831 | 0.25 | 0.197 | 2.684 | 3.029 | 0.172 | 1.761 | 0.64 | 0.131 | 0.997 | 0.05 |
| MS20668-6* | 3/16 | 0.359 | .313 +.000 -.005 | 0.903 | 0.313 | 0.255 | 3.019 | 3.187 | 0.203 | 2.011 | 0.781 | 0.155 | 1.082 | 0.09 |
| MS20668-7* | 7/32 | 0.427 | .375 +.000 -.007 | 1.007 | 0.313 | 0.291 | 3.382 | 3.678 | 0.234 | 2.261 | 0.813 | 0.187 | 1.195 | 0.135 |
| MS20668-8* | 1/4 | 0.494 | .438 +.000 -.007 | 1.133 | 0.375 | 0.307 | 3.763 | 4.062 | 0.265 | 2.511 | 0.968 | 0.221 | 1.326 | 0.2 |
| MS20668-9* | 9/32 | 0.563 | .500 +.000 -.008 | 1.257 | 0.438 | 0.322 | 4.153 | 4.512 | 0.297 | 2.761 | 1.109 | 0.251 | 1.465 | 0.25 |
| MS20668-10* | 5/16 | 0.635 | .563 +.000 -.008 | 1.373 | 0.438 | 0.343 | 4.546 | 4.969 | 0.328 | 3.011 | 1.218 | 0.281 | 1.609 | 0.4 |
| MS20668-12* | 3/8 | 0.703 | .625 +.000 -.008 | 1.688 | 0.5 | 0.375 | 5.562 | 5.968 | 0.404 | 3.511 | 1.5 | 0.32 | 2.124 | 0.575 |
| MS20668-14* | 7/16 | 0.781 | .688 +.000 -.008 | 1.968 | 0.562 | 0.375 | 6.398 | 6.867 | 0.468 | 4.011 | 1.75 | 0.35 | 2.46 | 0.79 |
| MS20668-16* | 1/2 | 0.844 | .750 +.000 -.009 | 2.115 | 0.625 | 0.468 | 7.323 | 7.886 | 0.531 | 4.698 | 1.875 | 0.406 | 2.698 | 1.05 |
| MS20668-18 | 9/16 | 0.984 | .875 +.000 -.009 | 2.625 | 0.75 | 0.562 | 8.185 | 8.778 | 0.594 | 5.011 | 2.34 | 0.45 | 3.247 | 2 |
| MS20668-20 | 5/8 | 1.109 | 1.00 +.000 -.010 | 3.062 | 0.875 | 0.657 | 9.167 | 9.854 | 0.656 | 5.511 | 2.73 | 0.515 | 3.729 | 2.25 |
| MS20668-24 | 3/4 | 1.359 | 1.25 +.000 -.012 | 3.093 | 0.875 | 0.657 | 10.328 | 10.9 | 0.781 | 6.511 | 2.75 | 0.6 | 3.89 | 2.5 |
| MS20668-28 | 7/8 | 1.593 | 1.437 +.000 -.012 | 3.515 | 1 | 0.75 | 11.53 | 12.29 | 0.921 | 7.166 | 3.125 | 0.675 | 4.437 | 3.5 |
| MS20668-32 | 1 | 1.812 | 1.625 +.000 -.012 | 3.937 | 1.125 | 0.844 | 13.156 | 14.062 | 1.046 | 8.229 | 3.51 | 0.775 | 5 | 8.25 |

購物車
幫助中心
手機版


















